粉色影院十八禁股份

谘詢服務熱線: 15222906608
儀表電纜自動化成套 壓力91粉色视频\差壓91粉色视频\溫度91粉色视频\液位91粉色视频等
banner

SBWR-2161智能熱電偶溫度91粉色视频

返回列表 來源:粉色影院十八禁股份 發布日期:2020-06-23 11:12

本文SBWR-2161智能熱電偶溫度91粉色视频資料由優質91粉色视频生產報價廠家為您提供。

 

SBWR-2161智能熱電偶溫度91粉色视频

SBWR-2161智能熱電偶簡介溫度91粉色视频;

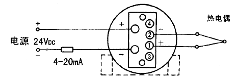
SBW係列熱電阻和熱電偶溫度91粉色视频,采用雙線傳輸模式,將熱電阻、熱電偶電阻和毫伏信號轉換成與輸入信號或溫度信號成線性關係的20mA輸出信號。它可以安裝在熱電阻和熱電偶的接線盒中形成一個整體結構,也可以以導軌的形式安裝在儀表控製箱中。上海自動化儀表三廠生產的SBWR-2161智能熱電偶具有耐衝擊、耐潮濕、精度高、功耗低、工作環境溫度範圍廣、運行穩定可靠等優點。作為新一代的溫度測量和傳輸儀器,它廣泛應用於冶金、石化、電力、紡織、食品等工業部門。

SBWR-2161智能熱電偶溫度91粉色视频主要技術參數:

◆範圍:0-800℃

◆輸入類型:E型

◆輸出類型:輸出20mA(輸出線性至相應溫度)

◆精度等級:0.5%FS,0.2%FS

◆傳輸模式:雙線製

◆工作電源:DC12~35V,額定工作電壓DC24V

◆負載電阻:0-600ω,額定負載:250ω

◆環境溫度:-20℃~70℃(智能)

◆相對濕度:5%~95%

◆環境溫度影響:≤0.05/1℃

溫度91粉色视频工作原理:

SBW係列熱電阻和熱電偶溫度91粉色视频,采用雙線傳輸方式,將熱電阻和熱電偶的電阻和毫伏信號轉換成20mA輸出信號,與輸入信號或溫度信號成線性關係。並將信號傳輸到計算機或其他設備。

溫度91粉色视频使用類型選擇:

SBWR-2161智能熱電偶溫度91粉色视频

模型示例:

SBWR-2161表示e級非隔離常規型,輸出與相應溫度成線性關係的智能型為20mA 溫度91粉色视频

SBWR-4261表示k分頻非隔離常規型,輸出與相應輸入信號成線性關係的智能型為20mA 溫度91粉色视频

SBWR-2160表示e級非隔離常規型,輸出與相應的溫度成線性關係,20mA輸出溫度91粉色视频

SBWR-4160表示e級非隔離常規型,輸出與相應的輸入信號成線性關係,輸出為20mA 溫度91粉色视频

此外,訂購時應提供溫度範圍等參數

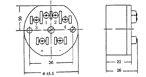
溫度91粉色视频安裝圖片:

◆SBWR-2161智能熱電偶溫度91粉色视频

SBWR-2161智能熱電偶溫度91粉色视频

◆SBWR-2161智能熱電偶溫度91粉色视频連接

SBWR-2161智能熱電偶溫度91粉色视频

 

《SBWR-2161智能熱電偶溫度91粉色视频》本文地址:http://www.25it.net/news/hy/922.html 轉載請勿刪除!

全國服務熱線

15222906608
網站地圖